DLP295
حفارة
الجديد
صب
HRC63
وفقا لمتطلبات العملاء
الصين
حفارة دلو
CE
DLP295
الكروم الأبيض الحديد والفولاذ الطري
OEM
153mmx38mmx33mm
8431499900
1. الوصف:
الاسم: ارتداء الحانات DLP295
الوصف:
المواد: Cr الحديد الأبيض والفولاذ الطري
صلابة: hrc63
سهل القطع - يسمح لك بتخصيص الحماية لمواصفات مختلفة
سهل الانحناء - يوفر حماية على سطح محدد.
استخدام قضبان chocky مع لوحة دعم مسبقة.
متوفر في 5 أحجام - إما مع لوحة مساندة قياسية أو مسننة مسبقًا.
التطبيقات:
شرائط ارتداء دلو.
يستبدل المواجهة الصعبة للمثاقب ورؤوس الحفر الاتجاهية وحفر الأساسات ورفع حفر الثقب.
بطانات المروحة
المجاذيف طاحونة الصلصال ، غيض والمكاشط.
صناعة إعادة التدوير.
الانزلاق مستوي الطرق واختيار حماة.
يستبدل المواجهة الصعبة لمكبات المضخات والمحركات
2. مجموعة منتجاتنا
3.شعبية البنود ضربة كمرجع:
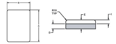
| الجزء رقم | أ (مم) | ب (مم) | C (ملم) | D (ملم) | هـ (مم) | الوزن (كلغ) |
| DLP 1920 | 75 | 25 | 17 | 8 | 25 | 0.7 |
| DLP-1921 | 100 | 50 | 17 | 8 | 25 | 1.1 |
| DLP عام 1994 | 100 | 70 | 24 | 8 | 32 | 1 |
| DLP-2196 | 130 | 80 | 15 | 8 | 23 | 1.3 |
| DLP-4771 | 148 | 108 | 25 | 10 | 35 | 2.3 |
| الجزء رقم | أ (مم) | ب (مم) | C (ملم) | D (ملم) | هـ (مم) | الوزن (كلغ) |
| DLP 4 | 300 | 38 | 25 | 8 | 33 | 3 |
| DLP 295 | 153 | 38 | 25 | 8 | 33 | 1.6 |
| DLP 508 | 190 | 50 | 20 | 10 | 30 | 2.3 |
| DLP 125 | 230 | 50 | 38 | 12 | 50 | 4.6 |
| DLP 1101 | 150 | 50 | 40 | 10 | 50 | 3 |
| DLP 528 | 150 | 75 | 40 | 10 | 50 | 4.5 |
| DLP 619 | 150 | 75 | 50 | 10 | 60 | 5.3 |
| جزء # | أ (مم) | ب (مم) | C (ملم) | D (ملم) | هـ (مم) | الوزن كجم |
| SB 413 | 200 | 150 | 20 | 25 | 45 | 10.5 |
| SB 412 | 250 | 150 | 20 | 25 | 45 | 13.1 |
| SB 414 | 250 | 250 | 20 | 25 | 45 | 22 |
4. مستودعاتنا:
5. معلومات الشركة
نينغبو Beneparts ماكينات المشارك ، المحدودة كمورد أجزاء GET موثوقة ، تقدم مجموعة كاملة من قطع الغيار مناسبة لجميع أنواع آلات الحفر التي تنطبق على التعدين ، البناء ، الزراعة إلخ. مثل حفارة ، جرافة ، لودر ، حفار ، مكشطة ، محطم و هكذا. قطع الغيار التي نوفرها بما في ذلك أجزاء الصب مثل أسنان الجرافة ، المحول ، كفن الشفة ، الحامي ، عرقوب الخ. وغيرها من الأجزاء المزورة مثل أسنان الجرافة المزودة ، القطع المتطورة ، شفرات الصف ، الجزء ، اللملة النهائية وغيرها من الأجزاء المقاومة للاحتكاك مثل القضبان chocky ، وأزرار ارتداء ، والكروم ارتداء لوحة مجتمعة وغيرها ، وأجزاء مطابقة مثل دبوس ، غسالة ، البراغي والمكسرات وغيرها .. لدينا أجزاء تغطي العلامات التجارية آلة كاتربيلر ، كوماتسو ، فولفو دوسان ، دايو ، هيونداي ، حالة ، JCB ، كوبيلكو ، Liebherr جون ديري الخ
بينامارتس لديها فريق مبيعات قوي للغاية ومصنعة متعاونة بشكل كبير مع التكنولوجيا الفائقة وتركز على الجودة مع أكثر من 28 عاما من الخبرة.
مزايانا أربعة أضعاف ، لدينا:
1. فريق تقني قوي ، ولدينا القدرة على صياغة المواد لتلبية الاحتياجات المحددة لمشاريع عملائنا.
2.Perfect نظام مراقبة الجودة ، ومجموعة كاملة من المرافق المتقدمة ، مثل آلة تحليل مكون ، آلة تأثير ، آلة قوة الشد إلخ.
3. تجربة غنية للقيام بأعمال OEM / ODM ، يمكننا تطوير العناصر وفقا للرسومات والعينات إذا كان لديك متطلبات محددة.
4. الإدارة الفعالة ، يمكننا وقت التسليم القصير ولدينا جيدة خدمة ما بعد البيع التي تبقي تعاون تجارية طويلة الأجل مع عملائنا.
إن التزامنا تجاهك يوفر دائمًا خدمة عملاء سريعة ومريحة وفعالة.
أتطلع للقائك!
1. الوصف:
الاسم: ارتداء الحانات DLP295
الوصف:
المواد: Cr الحديد الأبيض والفولاذ الطري
صلابة: hrc63
سهل القطع - يسمح لك بتخصيص الحماية لمواصفات مختلفة
سهل الانحناء - يوفر حماية على سطح محدد.
استخدام قضبان chocky مع لوحة دعم مسبقة.
متوفر في 5 أحجام - إما مع لوحة مساندة قياسية أو مسننة مسبقًا.
التطبيقات:
شرائط ارتداء دلو.
يستبدل المواجهة الصعبة للمثاقب ورؤوس الحفر الاتجاهية وحفر الأساسات ورفع حفر الثقب.
بطانات المروحة
المجاذيف طاحونة الصلصال ، غيض والمكاشط.
صناعة إعادة التدوير.
الانزلاق مستوي الطرق واختيار حماة.
يستبدل المواجهة الصعبة لمكبات المضخات والمحركات
2. مجموعة منتجاتنا
3.شعبية البنود ضربة كمرجع:
| الجزء رقم | أ (مم) | ب (مم) | C (ملم) | D (ملم) | هـ (مم) | الوزن (كلغ) |
| DLP 1920 | 75 | 25 | 17 | 8 | 25 | 0.7 |
| DLP-1921 | 100 | 50 | 17 | 8 | 25 | 1.1 |
| DLP عام 1994 | 100 | 70 | 24 | 8 | 32 | 1 |
| DLP-2196 | 130 | 80 | 15 | 8 | 23 | 1.3 |
| DLP-4771 | 148 | 108 | 25 | 10 | 35 | 2.3 |
| الجزء رقم | أ (مم) | ب (مم) | C (ملم) | D (ملم) | هـ (مم) | الوزن (كلغ) |
| DLP 4 | 300 | 38 | 25 | 8 | 33 | 3 |
| DLP 295 | 153 | 38 | 25 | 8 | 33 | 1.6 |
| DLP 508 | 190 | 50 | 20 | 10 | 30 | 2.3 |
| DLP 125 | 230 | 50 | 38 | 12 | 50 | 4.6 |
| DLP 1101 | 150 | 50 | 40 | 10 | 50 | 3 |
| DLP 528 | 150 | 75 | 40 | 10 | 50 | 4.5 |
| DLP 619 | 150 | 75 | 50 | 10 | 60 | 5.3 |
| جزء # | أ (مم) | ب (مم) | C (ملم) | D (ملم) | هـ (مم) | الوزن كجم |
| SB 413 | 200 | 150 | 20 | 25 | 45 | 10.5 |
| SB 412 | 250 | 150 | 20 | 25 | 45 | 13.1 |
| SB 414 | 250 | 250 | 20 | 25 | 45 | 22 |
4. مستودعاتنا:
5. معلومات الشركة
نينغبو Beneparts ماكينات المشارك ، المحدودة كمورد أجزاء GET موثوقة ، تقدم مجموعة كاملة من قطع الغيار مناسبة لجميع أنواع آلات الحفر التي تنطبق على التعدين ، البناء ، الزراعة إلخ. مثل حفارة ، جرافة ، لودر ، حفار ، مكشطة ، محطم و هكذا. قطع الغيار التي نوفرها بما في ذلك أجزاء الصب مثل أسنان الجرافة ، المحول ، كفن الشفة ، الحامي ، عرقوب الخ. وغيرها من الأجزاء المزورة مثل أسنان الجرافة المزودة ، القطع المتطورة ، شفرات الصف ، الجزء ، اللملة النهائية وغيرها من الأجزاء المقاومة للاحتكاك مثل القضبان chocky ، وأزرار ارتداء ، والكروم ارتداء لوحة مجتمعة وغيرها ، وأجزاء مطابقة مثل دبوس ، غسالة ، البراغي والمكسرات وغيرها .. لدينا أجزاء تغطي العلامات التجارية آلة كاتربيلر ، كوماتسو ، فولفو دوسان ، دايو ، هيونداي ، حالة ، JCB ، كوبيلكو ، Liebherr جون ديري الخ
بينامارتس لديها فريق مبيعات قوي للغاية ومصنعة متعاونة بشكل كبير مع التكنولوجيا الفائقة وتركز على الجودة مع أكثر من 28 عاما من الخبرة.
مزايانا أربعة أضعاف ، لدينا:
1. فريق تقني قوي ، ولدينا القدرة على صياغة المواد لتلبية الاحتياجات المحددة لمشاريع عملائنا.
2.Perfect نظام مراقبة الجودة ، ومجموعة كاملة من المرافق المتقدمة ، مثل آلة تحليل مكون ، آلة تأثير ، آلة قوة الشد إلخ.
3. تجربة غنية للقيام بأعمال OEM / ODM ، يمكننا تطوير العناصر وفقا للرسومات والعينات إذا كان لديك متطلبات محددة.
4. الإدارة الفعالة ، يمكننا وقت التسليم القصير ولدينا جيدة خدمة ما بعد البيع التي تبقي تعاون تجارية طويلة الأجل مع عملائنا.
إن التزامنا تجاهك يوفر دائمًا خدمة عملاء سريعة ومريحة وفعالة.
أتطلع للقائك!